5.1. Квантовые свойства атомов
Излучение атомов. Существенно важную информацию об атомах физики получают при исследовании их электромагнитного излучения. Опыт показывает, что оптические спектры атомов являются линейчатыми. Это означает, что спектры излучения атомов состоят из отдельных спектральных линий. При этом каждый атом имеет свой характерный линейчатый оптический спектр.
Так, для простейшего атома водорода еще в 1885 г. была найдена эмпирически формула, получившая название обобщенной формулы Бальмера. Оказалось, что с большой точностью длины волн излучения для всех спектральных линий атома водорода описываются удивительно простым по форме соотношением
, | (5.1) |
. | (5.1a) |
В этих формулах  - постоянная Ридберга,  , а  и  - целые числа.
Известны следующие серии спектральных линий излучения атома водорода, названные в честь их первооткрывателей:
 - серия Лаймана (ультрафиолетовое излучение)
 - серия Бальмера (видимый свет)
 - серия Пашена (инфракрасное излучение)
 - серия Брэкетта (инфракрасное излучение) и др.
Схема линий серии Бальмера в видимой части спектра атома водорода приведена на рис. 5.1. На рисунке символами  ,  ,  и  обозначены характерные линии спектра излучения, а  указывает коротковолновую границу серии, соответствующую в формуле (5.1) значениям  и  .
Отметим, что в соотношении (5.1a) частота любой линии спектра излучения атома водорода может быть представлена в виде разности двух однотипных выражений, которые зависят от целочисленных параметров и называются спектральными термами. Действительно, (5.1a) можно записать в виде
, | (5.2) |
 .
Исследование оптических спектров излучения других более сложных атомов показывает, что формула (5.2) также может быть использована для расчета частот их излучения, однако, для таких атомов термы имеют более сложный вид, чем для атома водорода.
Соотношения (5.1) и (5.2) отражают присущую атомам квантовую природу. Действительно, если с помощью формулы Планка связать частоту излучения атома с его энергией, то из линейчатости спектра излучения мы придем к выводу о дискретности, то есть квантовании энергии атома.
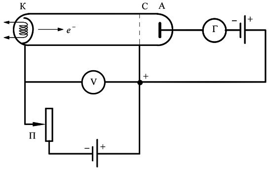
Опыт Франка и Герца. Одним из простых опытов, убедительно подтверждающих квантовые свойства атомов, связанные с дискретностью их энергий, является эксперимент, впервые выполненный в 1913 г. Дж.Франком и Г.Герцем. Основным элементом экспериментальной установки (рис. 5.2) является трехэлектродная лампа, заполненная газом, например, парами ртути под давлением 1 мм рт. ст. В отличие от стандартного включения такой лампы, в опыте Франка и Герца сетка С имеет положительный потенциал  относительно катода К и играет роль ускоряющего электрода.
Электроны, вылетающие из катода за счет термоэлектронной эмиссии, ускоряются разностью потенциалов  , величина которой может изменяться с помощью потенциометра П и измеряться вольтметром  .
Между сеткой и анодом - коллектором А создается слабое тормозящее поле за счет разности потенциалов между сеткой и анодом порядка 1В. Часть электронов, пролетающих через сетку и способных преодолеть тормозящее поле, попадает на коллектор, обуславливая некоторый ток, который измеряется гальванометром Г.
Двигаясь от катода к сетке, электроны сталкиваются с атомами ртути, находящимися в основном энергетическом состоянии. Если энергия атома может принимать только определенные дискретные значения, и энергетическое расстояние между основным и первым возбужденным состояниями атома равно  , то характер столкновений электрона с атомом будет существенно зависеть от значения кинетической энергии электрона  . Здесь  - ускоряющая разность потенциалов между катодом и сеткой.
Если  , то есть  , то электрон при столкновении с атомом не сможет передать ему значительную часть своей энергии. Как говорят, соударение электрона с атомом в этом случае будет упругим. В таком столкновении кинетическая энергия электрона не переходит во внутреннюю энергию атома, и в силу большого различия масс соударяющихся частиц, электрон будет двигаться в газовом промежутке между катодом и сеткой практически без потерь энергии. Такие электроны, пролетев сетку лампы, легко преодолеют слабое тормозящее поле между сеткой и анодом - коллектором и обеспечат протекание тока в цепи коллектора. Как и в обычной вакуумной лампе при увеличении  ток в цепи коллектора будет монотонно возрастать.
Однако, если при движении в ускоряющем поле электрон приобретет кинетическую энергию, достаточную для возбуждения атома, то соударение такого электрона с атомом станет неупругим. Теперь значительная часть кинетической энергии электрона будет переходить во внутреннюю энергию атома, то есть расходоваться на возбуждение атома.
Неупругие столкновения электронов с атомами начинают происходить при подлете электронов к сетке. После столкновений энергетически "ослабленные" электроны уже не смогут преодолеть тормозящее поле и попасть на анод-коллектор. Следовательно, когда ускоряющее напряжение на сетке достигнет значения  , ток  в цепи коллектора должен резко уменьшиться.
При дальнейшем увеличении ускоряющего потенциала ток, регистрируемый гальванометром, будет снова возрастать. Однако, когда значение ускоряющего напряжения станет равным  , ток в цепи коллектора снова резко уменьшится, так как в этих условиях электрон при пролете газового промежутка может дважды испытать неупругие столкновения с атомами. Соответственно, возможны режимы с тремя неупругими столкновениями при  и т.д.
Итак, если имеет место квантование энергии атома, то при значениях ускоряющего напряжения  на сетке, кратных  , на кривой зависимости тока  в цепи коллектора от ускоряющего напряжения  на сетке должны наблюдаться резко выраженные спады. При этом расстояние  между началами этих спадов по шкале ускоряющего напряжения связано с энергией возбуждения  атома соотношением  .
Зависимость  , полученная в опытах Франка и Герца (рис. 5.3), прекрасно подтвердила этот вывод. Такая зависимость является убедительным экспериментальным доказательством дискретности энергетических состояний атомов. В частности, из представленного на рис. 5.3 графика следует, что первое возбужденное состояние атома ртути отделено от основного состояния энергетическим промежутком в 4,9 эВ.
Аналогичные закономерности наблюдаются и при заполнении лампы другими газами, например, неоном и гелием. При этом, более тщательная постановка опыта позволяет обнаружить также спады в зависимости  , обусловленные другими возбужденными состояниями атома и даже его ионизацией.
Другой важный результат опыта Франка и Герца с атомами ртути связан с испусканием лампой ультрафиолетового света с длиной волны  нм, которое начинается, как только разность потенциалов между катодом и сеткой достигает значения 4,9 В. Это излучение можно наблюдать, если колбу лампы изготовить из кварца или стекла, пропускающего ультрафиолетовое излучение.
Такое излучение объясняется тем, что возбужденные электронными ударами атомы ртути возвращаются в основное состояние путем испускания излучения. В соответствии с (1.41) длина волны такого излучения с энергией фотона  Дж равна
 м = 253 нм.
|